Поделиться
Термоблокиратор ТБ-94-Цм 2 шт-1уп (50)
--
05. Дверные ЗАМКИ
---Термоблокиратор ТБ-94-Цм 2 шт-1уп (50)01. Инструмент.02. Резка и шлифование.03. Сверла, коронки, биты.04. Средства индивидуальной защиты05. Дверные ЗАМКИ06.Фурнитура ДВЕРНАЯ и ОКОННАЯ07. Мебельная фурнитура08. Туризм и отдых09. Пена, Герметики, Очистители, Уплотнители10. Дача и сад11. Зимний инвентарь12. КрепежCаморезы13. ХозтоварыСредства защиты от вредителей14. Электротовары и электрика15. Вентиляционные системы16. СантехникаРаспродажаНОВИНКИBRAITE
Артикул:
33246
Термоблокиратор ТБ-94-Цм 2 шт-1уп (50)
Подробнее
615 руб./упа
Есть в наличии (128)
-
+
В корзинуВ корзине
Поделиться
Цена действительна только для интернет-магазина и может отличаться от цен в розничных магазинах
Описание
Основные характеристики
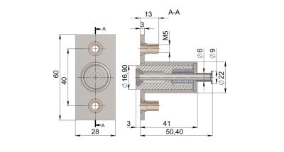
По типу установки, термоблокираторы ТВ является врезным, выполнен полностью из стали с гальванопокрытием.
Диаметр запорного штыря 16,9 мм.
Вылет штыря при сработка 18мм.
Температура плавления плавкой вставки:
ТБ-65 - 65 град,
ТБ-85 - 85 град,
ТБ-94 - 94 град.
Работа термоблокиратора
Температура срабатывания термоблокиратора 65, 85 или 94 град в зависимости от выбора модели. Это значить, что при пожаре в помещении, противопожарная или обычная металлическая дверь начинает нагреваться.
Вместе с дверью начинает нагреваться и сам термоблокиратор. Однако нагрев двери и тем более нагрев термоблокиратора, который находиться внутри двери, происходит не мгновенно, а достаточно медленно.
Как только температура блокиратор достигнет температуры срабатывания, произойдет расплавление плавкого элемента, который находится с торца запорного штыря, и подпружиненный запорный штырь выстрелит в отверстие дверной коробки и заблокирует дверь в проеме. Таким образом распространение огня за пределы двери не произойдет.
Подробнее
Место расположения
Термоблокираторы следует размещать на двери в местах наиболее подверженных температурным деформациям. Именно там, где идет наиболее значимый перекос полотна двери при ее нагреве.
Обычно это верхний угол двери и нижний угол по линии замка. Поэтому, чем ближе к этим углам будут размещены термоблокираторы, тем надежнее будет защита двери против проникновения огня.
Как правило на дверь устанавливают 2-а термоблокиратора.
Грибок открывания
С задней части термоблокиратора размещен «Грибок открывания» . Скорее всего «Грибок открывания» никогда не будет использован.
Но все же, в случае, когда произошла «сработка» термоблокиратора, и дверь необходимо открыть, достаточно потянуть за «Грибок» ,и термоблокиратор разблокирует створку двери.
Для того чтобы оттянуть «Грибок», находясь снаружи двери», необходимо в наружным листе двери, в месте расположения «Грибка», просверлить отверстие диаметром не менее 10 мм. и далее, добраться до него любым подходящим инструментом, уперевшись в грань отверстия, оттянуть грибок.
Это могут быть ножницы, пинцет, 2-а гвоздя сложенные как пинцет, подходящие по размеру плоскогубцы и т п.
Производителям противопожарных дверей, в этом случае рекомендуется в паспорте к двери указывать место расположения будущего отверстия и его диаметр.
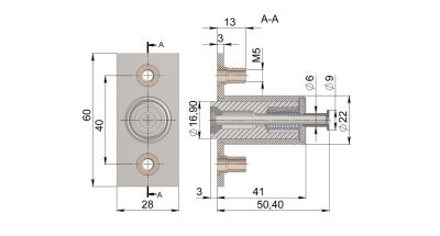
По типу установки, термоблокираторы ТВ является врезным, выполнен полностью из стали с гальванопокрытием.
Диаметр запорного штыря 16,9 мм.
Вылет штыря при сработка 18мм.
Температура плавления плавкой вставки:
ТБ-65 - 65 град,
ТБ-85 - 85 град,
ТБ-94 - 94 град.
Работа термоблокиратора
Температура срабатывания термоблокиратора 65, 85 или 94 град в зависимости от выбора модели. Это значить, что при пожаре в помещении, противопожарная или обычная металлическая дверь начинает нагреваться.
Вместе с дверью начинает нагреваться и сам термоблокиратор. Однако нагрев двери и тем более нагрев термоблокиратора, который находиться внутри двери, происходит не мгновенно, а достаточно медленно.
Как только температура блокиратор достигнет температуры срабатывания, произойдет расплавление плавкого элемента, который находится с торца запорного штыря, и подпружиненный запорный штырь выстрелит в отверстие дверной коробки и заблокирует дверь в проеме. Таким образом распространение огня за пределы двери не произойдет.
Подробнее
Место расположения
Термоблокираторы следует размещать на двери в местах наиболее подверженных температурным деформациям. Именно там, где идет наиболее значимый перекос полотна двери при ее нагреве.
Обычно это верхний угол двери и нижний угол по линии замка. Поэтому, чем ближе к этим углам будут размещены термоблокираторы, тем надежнее будет защита двери против проникновения огня.
Как правило на дверь устанавливают 2-а термоблокиратора.
Грибок открывания
С задней части термоблокиратора размещен «Грибок открывания» . Скорее всего «Грибок открывания» никогда не будет использован.
Но все же, в случае, когда произошла «сработка» термоблокиратора, и дверь необходимо открыть, достаточно потянуть за «Грибок» ,и термоблокиратор разблокирует створку двери.
Для того чтобы оттянуть «Грибок», находясь снаружи двери», необходимо в наружным листе двери, в месте расположения «Грибка», просверлить отверстие диаметром не менее 10 мм. и далее, добраться до него любым подходящим инструментом, уперевшись в грань отверстия, оттянуть грибок.
Это могут быть ножницы, пинцет, 2-а гвоздя сложенные как пинцет, подходящие по размеру плоскогубцы и т п.
Производителям противопожарных дверей, в этом случае рекомендуется в паспорте к двери указывать место расположения будущего отверстия и его диаметр.
Характеристики
|
Цвет
|
Фиолетовый |
Задать вопрос
Вы можете задать любой интересующий вас вопрос по товару или работе магазина.
Наши квалифицированные специалисты обязательно вам помогут.
Наши квалифицированные специалисты обязательно вам помогут.
Задать вопрос
Дополнительно
Дополнительная вкладка, для размещения информации о магазине, доставке или любого другого важного контента. Поможет вам ответить на интересующие покупателя вопросы и развеять его сомнения в покупке. Используйте её по своему усмотрению.
Вы можете убрать её или вернуть обратно, изменив одну галочку в настройках компонента. Очень удобно.
-
01. Инструмент.
-
CЛЕСАРНО СТОЛЯРНЫЙ ИНСТРУМЕНТ.
- Гвоздодеры, Зубила, Ломы.
- Зажимные устройства и предметы.
- Комплектующие для дрели и перфоратора.
- Молотки, Кувалды, Киянки.
- Наборы инструмента.
- Напильники и комплектующие.
- Отвертки.
- Пилы, Ножовки, Полотна, Стусла.
- Резьбонарезной инструмент.
- Рубанки.
- Стамески и наборы
- Топоры,колуны
- Шарнирно-гупцевый инструмент.
- Шило.
-
Автомобильный инструмент.
-
Бензоинструмент.
-
Измерительный инструмент.
-
Инструмент и материалы для работ по кафелю и стеклу.
-
Ключи, Воротки, Головки.
-
Малярно-штукатурный инструмент.
-
Маркеры Карандаши
-
Ножи скребки и лезвия к ножам.
-
Пистолеты для пены и герметиков.
-
Сварка и газовоздушное оборудование
-
Скобозабивные пистолеты, заклепочнки
-
Спец. инструмент.
-
Электро и аккумуляторный инструмент
-
Ящики, Сумки, Тележки.
-
-
02. Резка и шлифование.
-
Полотна ножовочные
-
Диски круги и шарошки для гравера
- Насадки для реноватора
- Щетки Нейлоновые
- Ножницы
-
Полотна для сабельных пил
- Губки для шлифования
-
Бруски.
-
Диски алмазные.
-
Диски пильные.
-
Диски полировочные.
-
Круги.
-
Лента шлифовальная
-
Набор шарошек.
-
Ножи для рубанка.
-
Пилки лобзиковые.
-
Чашки алмазные.
-
Чашки шлифовально-обдирочные.
-
Шарошки.
-
Шлиф круги.
-
Сетка шлифовальная
-
Шлифлист на бумажной основе.
-
Шлифлист на тканевой основе.
-
Щетки для болгарки.
-
Щетки на дрель.
-
Щетки по металлу.
-
-
03. Сверла, коронки, биты.
- Наборы сверл по стеклу и кафелю.
-
Адаптеры для бит и головок.
-
Балеринки по дереву.
-
Биты.
-
Державки и хвостовики
-
Для заточки сверл.
-
Зенкеры.
-
Кондуктора.
-
Коронки.
-
Метчики
-
Наборы мебельных сверл.
- Наборы бор-фрез..
-
Наборы кольцевых пил.
-
Наборы сверл по дереву.
-
Наборы сверл по металлу.
-
Наборы фрез по дереву.
-
Пики и зубило для перфоратора.
-
Плашки.
-
Сверла.
-
Удлинители для сверл, коронок.
- Набор сверл Фостнера
-
Набор сверл перовых
- 04. Средства индивидуальной защиты
- 05. Дверные ЗАМКИ
-
06.Фурнитура ДВЕРНАЯ и ОКОННАЯ
- Фурнитура для САНТЕХНИЧЕСКИХ КАБИН
- Фурнитура АМИГ (Испания)
-
ЗАМКИ накидные
-
ПРОУШИНЫ
-
ПОРОГИ автоматические
-
БРОНЕНАКЛАДКИ И БРОНЕПЛАСТИНЫ
-
ГЛАЗКИ дверные
-
Для ПВХ окон и дверей
-
ДОВОДЧИКИ, ПРУЖИНЫ
-
ЗАСОВЫ, ЗАДВИЖКИ, ШПИНГАЛЕТЫ
-
ЗАЩЕЛКИ дверные
-
КЛЮЧНИЦЫ
-
МЕХАНИЗМЫ СЕКРЕТНОСТИ
- Механизмы АЛЛЮР
- Механизмы Code Deco
- Заготовки ключей АПЕКС и AVERS
- Механизмы ABUS (Германия)
- Механизмы AVERS
- Механизмы CISA (Италия)
- Механизмы KALE KILIT (Турция)
- Механизмы TITAN (Словения)
- Механизмы в блистере
- Механизмы VANGER
- Комплеты ключей и секреты для перекодировки
- Механизмы АПЕКС
- Механизмы АПЕКС (Великобритания)
- Механизмы РОССИЯ (г. Киров)
- Механизмы ПРОЧИЕ
- Механизмы для Китайских дверей
- Вертушки к цилиндрам
-
АКЦИЯ Фурнитура
-
НАКЛАДКИ ПОВОРОТНИКИ И ФИКСАТОРЫ
-
ПЕТЛИ И ШАРНИРЫ дверные
-
Прочая фурнитура
-
РУЧКИ дверные
-
Фурнитура для РАЗДИЖНЫХ ДВЕРЕЙ
-
УПОРЫ дверные
-
Фурнитура для СТЕКЛЯННЫХ ДВЕРЕЙ
-
ЦИФРЫ дверные
-
07. Мебельная фурнитура
-
Полкодержатели
-
Трубы штанги и шины мебельные
-
Мебельные ручки
-
Направляющие роликовые
-
Направляющие шариковые
-
Петли мебельные
- Газлифты мебельные
-
Вешалки
-
Подвески мебельные
-
Зеркалодержатели
-
Крючки мебельные
-
Магниты мебельные
-
ЗАГЛУШКИ для столбов
-
Уголки и кронштейны мебельные
-
Колеса промышленные
-
Колеса ролики опоры мебельные
-
Кронштейны
-
Амортизаторы мебельные
- Система Джокер
-
- 08. Туризм и отдых
- 09. Пена, Герметики, Очистители, Уплотнители
- 10. Дача и сад
- 11. Зимний инвентарь
- 12. Крепеж
- Cаморезы
-
13. Хозтовары
-
Лестницы, стремянки.
- Смазочные материалы.
- Масло бытовое.
- Емкости оцинкованные, пластиковые.
-
Бытовая техника.
-
Бытовая химия.
-
Бытовые мешки, сумки.
- Авто Химия
-
Для бани, ванной.
-
Доски гладильные, сушилки.
-
Камины, печи.
-
Кухонные принадлежности.
- Прочие
- Воронки.
- Для выпекания.
- Доски разделочные.
- Дуршлаки и салатники.
- Закатки, крышки и сопутствующие товары.
- Контейнеры.
- Крышки.
- Кувшины, кружки мерные.
- Ножи, ножеточки, держатели для ножей.
- Овощечистки.
- Открывашки, штопоры.
- Подносы.
- Пресс для чеснока.
- Сетка в раковину.
- Сито.
- Терки.
- Овощерезки Фрукторезки.
- Корзинка универсальная.
-
Лента, скотч, пленка.
- Мясорубки и комплектующие.
-
Печное.
-
Предметы интерьера.
-
Прочее.
-
Термометры, спиртометры, дистилляторы.
-
Товары для уборки.
-
Уход за одеждой и обувью.
-
Шнуры, веревки, шпагаты.
-
Товары первой необходимости
- Ящики почтовые , урны для мусора
-
- Средства защиты от вредителей
-
14. Электротовары и электрика
-
Антены телевизионые
-
Скобы электроустановочные.
- Вентиляторы
- Шнур сетевой
-
TV штекеры, аудио шнуры, телефония
-
Автоматы, УЗО
-
Батарейки
-
Кабель, провод
-
Лампы
-
Звонки, кнопки для звонка
-
Насосы
-
Патроны
-
Светильники прожектора
-
Паяльники, расходники и акссесуары
-
Сетевые фильтры
-
Теплообогреватели, конвекторы
-
Тройники, переходники, колодки, вилки
-
ТЭНЫ и комплектующие
-
Удлинители
-
Фонарики
-
ЭЛ. ПЛИТЫ, Зажигалки, Кипятильники, Чайники
- Светильники- переноски
-
Электро установочная фурнитура.
-
Электроустановка
-
- 15. Вентиляционные системы
-
16. Сантехника
- Смесители
- Внутренняя канализация
- Водосливная арматура, сифоны
- Гибкая подводка для газа
- Запорная Арматура
- Полиэтиленовые трубопроводные системы для водоснабжения
- Комплектующие к Смесителям
- Полипропиленовые трубопроводные системы
- Подводка воды VRT FRESSO
- Резинотехническиеизделия изделия, Прокладки
- Системы Бытовой Фильтрации Воды
- Счетчики газа
- Счетчики для Воды
- Товар под заказ
- Уплотнительные и Изоляционные Материалы
- Фитинги резьбовые, штуцер
- Хозтовары
- Хомуты
- Шланги для стир. машин
- Распродажа
- НОВИНКИ
- BRAITE





























































